PP MASTER3PLUS BOCHT MS90 45° ZWART

Met Master3Plus kan je kiezen tussen enkel of dubbel gemofte hulpstukken.



De gemofte hulpstukken garanderen betrouwbare, foutloze en waterdichte verbindingen dankzij:

- Uiterst betrouwbare EPDM dichtingsring.

- Verstevigingsribben, geplaatst om de 60°, helpen om hulpstukken snel en correct uit te lijnen.

- Dieptemarkering, waardoor je onmiddellijk kan zien of je producten goed met elkaar verbonden zijn.



Dankzij de keuze uit 200+ artikelen kan voor iedere installatie, hoe complex ook, een passend binnenrioleringsysteem ontworpen worden.

Artikelnummer 3496102552
Omschrijving PP Master bocht 90 45gr m/s Zwart
EAN 5905485467452
Merknaam Pipelife
Type Master3Plus
Materiaal PP (Polypropyleen)
Materiaal dichting EPDM
Conn.1 Mof
Conn.2 Spie
Ø 1 90 mm
Hoek 45 °
Geluidsisolatie 10 dB(A)
Kleur Zwart
Kleur binnenlaag Zwart
Temperatuursbelasting op korte termijn max. 95°C
Continue belasting 60°C
Slagvastheid getest volgens EN 1451 bij -10°C
Stijfheidsklasse S16
Bestand tegen zuren en alkali van pH2 tot pH12
Gemiddelde dichtheid (EN ISO 1183) 1,2kg/dm³
Elasticiteitsmodulus (ISO 178) > 2400-3100 MPa
Vacuümdichtheid -0,8 bar

Artikelnummer 3496102552
Omschrijving PP Master bocht 90 45gr m/s Zwart
EAN 5905485467452
Netto gewicht 0,181 kg
Bruto gewicht 0,181 kg
Aantal per doos 20
Afmetingen doos (LxBxH) 600 mm x 400 mm x 200 mm
Aantal per pallet 320
Pallet lengte 1200 mm
Pallet breedte 800 mm
Pallet hoogte 200 mm

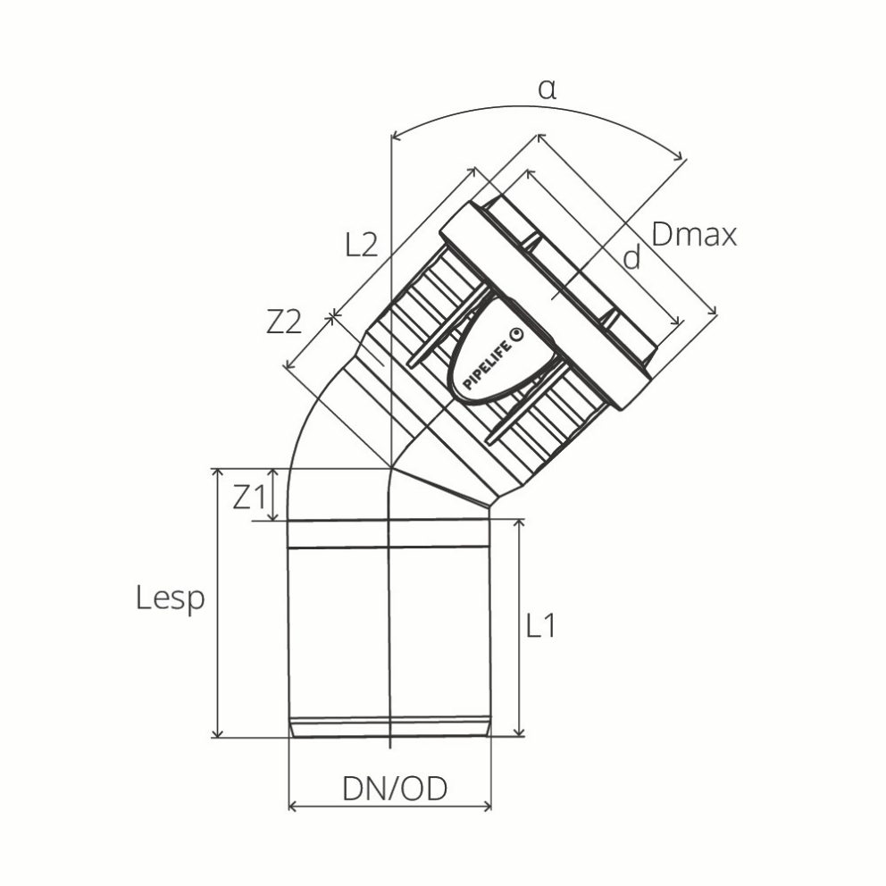
DN/OD 90 mm
DN 90 mm
d 91,2 mm
Dmax 105,4 mm
l1 62 mm
l2 56,5 mm
Lesp 85 mm
z1 23 mm
z2 27 mm
D 91,2 mm
alpha 45 °
D 91,2 mm

Een vraag of specifiek verzoek?

Klik hier voor onze contactgegevens

Downloads

Vind hier de meest gevraagde downloads.

Downloads
Heeft u niet gevonden wat u zocht?

Online catalogus

Ontdek ons gamma.